Leírás
A JSN-SR20-Y2.0 kétfejes mérőmodul 2 cm-500 cm-es érintésmentes, ultrahang alapú távolságérzékelő funkcióval rendelkezik. Előnye, hogy a a mérési pontossága elérheti a 3 mm-t és a vakfoltja csak 2cm! A modul egy ultrahangos érzékelőből áll, amely integrálja a fogadó és küldő és vezérlő áramkört. cégünkével, A Mode_1 beállításával (ez az alapértelmezett módja a érzékelőnek) a használata megegyezik a HC-SR04 ultrahang távérzékelővel. A szenzor soros adatvonalon (Tx/Rx) is megszólítható – az eredményt soros vonalon adja át.
A kettős érzékelő ultrahangos szonda vízálló kialakítású – de nem víz alá meríthető!
Működési módok
– Modle 0: PWM pulse width output (default) (SR04 kompatibilis)
– Modle 1: UART automatic output
– Modle 2: UART controlled output
– Modle 3: PWM automatic output
– Modle 4: Low power PWM output
– Modle 5: Switch output
Jellemzők
- Kis méretű és kényelmesen használható,
- Ultra-kis vakterület mérés,
- Nagy mérési pontosság,
- Erős anti-interferencia,
- Beépített, zárt vízálló szonda – alkalmas nedves és száraz mérési helyekre.
Műszaki adatok és paraméterek
- impulzus kimenet vagy soros vonali kimenet,
- üzemi feszültség: DC: 3,0-5,5 V,
- áramigény: kevesebb, mint 8 mA,
- a szonda mérési frekvenciája: 40 kHz,
- a legtávolabbi mérés: 500 cm,
- legközelebbi mérés: 2 cm,
- távolsági pontosság: ±1 cm,
- felbontás: 3 mm,
- a mérési szög: 60 fok,
- a bemeneti triggerjel: 1,20uS TTL impulzus illetve soros méréskor: az utasítások küldéséhez 0x55,
- a visszhangjel kimenete: kimeneti impulzusszélesség szintű jel, vagy TTL soros eredmény,
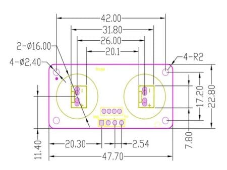
- termék méret (vezérlő): 48*23*10 mm,
- Üzemi hőmérséklet: -20℃-+ 70℃,
- Szonda: integrált
Kivezetés
- Vcc: 3-5,5 V (a pozitív pólus)
- Trig (a vezérlőterminál): RX
- Echo (Output): TX
- GND (A tápegység negatív pólusa)
- Szonda frekvencia: 40kHz
- Hatótáv: 2-500 cm
- Nagy hatótávolságú pontosság: ±1 cm
- Felbontás: 1mm (max 5mm)
- Mérési szög: 75 fok
- Bemeneti triggerjel:
- 1. TTL impulzus 10uS felett,
- 2. Soros port küldési parancs 0x55.
- Kimeneti visszhangjel:
- Kimeneti impulzusszélesség-szintű jel vagy
- TTL soros vonal.
Kivezetés
- Vcc: 3-5. 5 V
- Trig (vezérlő) RX
- Echo (kimenet) TX
- GND (teljesítmény
Dokumentáció
- NewPing eljáráskönyvtár (Arduino)
- A modul az 1.6.4 vagy újabb Arduino esetén a beépített SR-04 eljáráskönyvtárakkal is működik.
- JSN SR04 beállítási módok

![JSN-SR20-Y2.0 vízálló ultrahang távolságmérő [integrált mérőfej, 2-500cm]](https://shop.tavir.hu/wp-content/uploads/sen-uh-jsn-sr04-y20-1.jpg)

![JSN-SR20-Y2.0 vízálló ultrahang távolságmérő [integrált mérőfej, 2-500cm] - Kép 4](https://shop.tavir.hu/wp-content/uploads/sen-uh-jsn-sr04-y20-2.jpg)
![JSN-SR20-Y2.0 vízálló ultrahang távolságmérő [integrált mérőfej, 2-500cm] - Kép 5](https://shop.tavir.hu/wp-content/uploads/sen-uh-jsn-sr04-y20-3.jpg)
![RCWL-1005 ultrahang távolságmérő [4.5m/0.2cm, IIC/UART/GPIO]](https://shop.tavir.hu/wp-content/uploads/sen-uh-rcwl1005-8-450x338.jpg)

![Tartóelem ultrahangos szenzor (90 fok, átlátszó [US-100/US-015])](https://shop.tavir.hu/wp-content/uploads/sen-uh-tarto-90-b-3-450x338.jpg)
![IR távolságszenzor (GP2Y0E03; IIC) [4..50cm]](https://shop.tavir.hu/wp-content/uploads/sen-tavolsag-gp2y0e03-4-450x338.jpg)

Értékelések
Még nincsenek értékelések.