Leírás
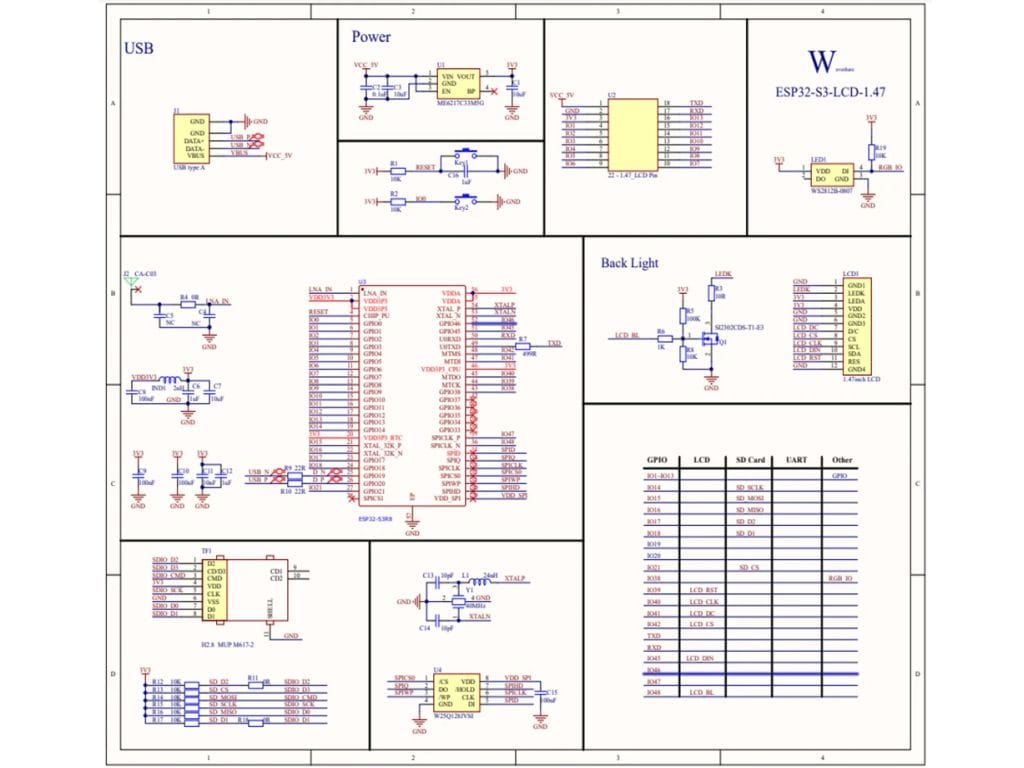
Az ESP32-S3-LCD-1.47 fejlesztőpanel egy kompakt, mégis rendkívül sokoldalú eszköz, amely ideális választás HMI (Human-Machine Interface), IoT, beágyazott kijelzős rendszerek és hordozható alkalmazások fejlesztéséhez. A 2.4 GHz-es Wi-Fi és Bluetooth 5 (BLE) támogatásával, valamint a beépített 1,47 hüvelykes, 172×320 felbontású TFT LCD kijelzővel lehetővé teszi a valós idejű grafikus interfészek megjelenítését. Az eszköz 16 MB Flash memóriával rendelkezik, ami elegendő kapacitást biztosít komplex alkalmazások futtatásához.
Ez a fejlesztőpanel ideális választás azok számára, akik kompakt méretű, mégis nagy teljesítményű eszközt keresnek IoT és HMI alkalmazásokhoz. A beépített kijelző és a bőséges memória lehetővé teszi komplex grafikus interfészek és alkalmazások fejlesztését.
Fő előnyök
- Nagy teljesítményű ESP32-S3R8 processzor: Kétmagos Xtensa LX7 CPU, akár 240 MHz-es órajellel.
- Beépített 1,47 hüvelykes TFT LCD kijelző: 172×320 felbontás, 262K szín, ideális grafikus interfészekhez.
- 16 MB Flash memória: Lehetővé teszi komplex alkalmazások és GUI-k futtatását.
- Wi-Fi és Bluetooth 5 (BLE) támogatás: Megbízható vezeték nélküli kommunikáció.
- Beépített microSD kártyaolvasó: Külső adattárolás és fájlkezelés támogatása.
- RGB LED és USB-C csatlakozó: Könnyű programozás és vizuális visszajelzés.
- Kompatibilitás LVGL és Arduino környezettel: Gyors fejlesztés és prototípus-készítés.
Műszaki jellemzők
- Processzor: Xtensa 32-bit LX7 dual-core, max. 240 MHz
- Memória: 512 KB SRAM, 384 KB ROM
- Flash tárhely: 16 MB
- Kijelző: 1,47 hüvelykes TFT LCD, 172×320 felbontás, 262K szín
- Vezeték nélküli kapcsolatok: Wi-Fi 802.11 b/g/n, Bluetooth 5 (BLE)
- USB interfész: USB 2.0 Full-Speed, USB-C csatlakozó
- MicroSD kártya támogatás: Beépített TF kártyaolvasó
- RGB LED: Beépített, programozható
- GPIO: Többféle periféria interfész támogatása
- Tápellátás: 5V USB-n keresztül
- Méretek: 36,37 mm × 11,31 mm × 2,54 mm
Dokumentáció
Csomag tartalma
- 1× ESP32-S3-LCD-1.47 fejlesztőpanel
- 1× Fekete tüskesor






















eztskubizd –
Jó minőségű a kijelző, és jól jön az LVGL, ha szabványosnak kinéző user interface-re van szükségünk.