Leírás
Ez az infravörös ütközésérzékelő akadályszenzor egyszerűen integrálható modul Arduino, ESP vagy Raspberry Pi alapú projektekhez, különösen intelligens robotautók, akadálykerülő járművek és interaktív vezérlőrendszerek építéséhez. A modul nagy előnye a könnyű beüzemelhetőség és az állítható érzékenység, így a felhasználó a különböző fényviszonyokhoz és környezeti feltételekhez is optimalizálhatja a működést.
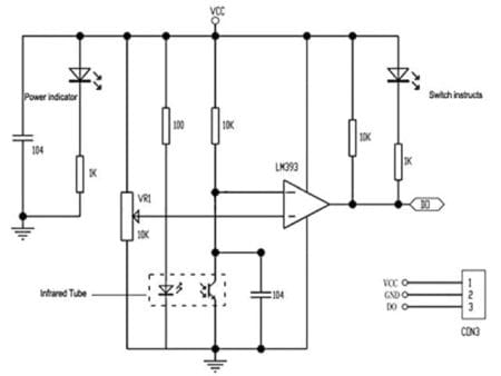
Működési elv és technikai magyarázat
A szenzor működése infravörös fényvisszaverésen alapul: a modul egy IR LED segítségével láthatatlan fényt bocsát ki, amely egy akadály felületéről visszaverődve a fototranzisztor érzékelőjéhez jut. Ha a visszavert jel erőssége eléri az előre beállított küszöbértéket, a kimenet logikai szintet vált.
Az érzékenység egy beépített trimmer potméterrel állítható, így a szenzor különféle távolságokra és felület-típusokra optimalizálható.
A modul 3 tűs csatlakozóval rendelkezik (Vcc, GND, OUT), és digitális kimenetet biztosít, amely közvetlenül olvasható mikrokontroller bemenetén.
Az üzemeltetéshez 3,3 V vagy 5 V egyenfeszültség szükséges, így a legtöbb mikrokontrollerrel kompatibilis.
Felhasználási lehetőségek
- Intelligens robotautók akadálykerülése – Automatikus irányváltás ütközés előtt.
- Automata kapu- és ajtóvezérlés – Mozgó objektum detektálása belépéskor.
- Interaktív fény- és hangvezérlés – Közeledésre reagáló eszközök.
- Maker és DIY projektek – Oktatási és kísérleti célú szenzor integráció.
Műszaki jellemzők
- Tápfeszültség: 3,3–5 V DC
- Kimeneti jel: Digitális (0 / 1 logikai szint)
- Érzékelési távolság: 2–30 cm (állítható)
- Kimeneti interfész: 3 tűs csatlakozó (Vcc, GND, OUT)
- Méret: kb. 32 × 14 mm
- Működési hőmérséklet: -10 °C – +50 °C
- Rögzítési furat: 3 mm átmérő
Dokumentáció
Csatlakozó
- 1 – Kimenet,
- 2 – Vcc,
- 3 – GND,
Csomag
- 1x ütközés/közelítés szenzorpanel.







![IR távolságszenzor (Sharp:GP2Y0A21YK0F) [10...80cm]](https://shop.tavir.hu/wp-content/uploads/sen-ir-gp2y0a21-1-450x338.jpg)
![IR távolságszenzor (Sharp:GP2Y0A41SK0F) [4...30cm]](https://shop.tavir.hu/wp-content/uploads/sen-ir-gp2y0a41sk0f-3-450x338.jpg)

Értékelések
Még nincsenek értékelések.