Leírás
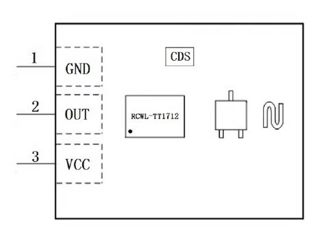
A RCWL‑0515 mikrohullámú radar mozgásérzékelő modul egy kompakt, olcsó, aktív radar‑érzékelő, amely emberi mozgás, tárgymozgás érzékelésére szolgál akár falon, üvegen vagy vékony burkolaton keresztül is – ellentétben a hagyományos PIR szenzorokkal, amelyek csak testhőt érzékelnek. A modul nagy előnye a falon/üvegen át érzékelés, nincs holttér, függ a környezeti hőmérséklettől vagy fényviszonytól, illetve jelentős érzékelési távolság és széles látószög. Ennek köszönhetően ideális például okosotthon világításvezérléshez, riasztórendszerhez, automatizált bejáratokhoz, maker / DIY IoT projektekhez, vagy árnyékolt / rejtett mozgásérzékeléshez.
Fontos! 1 cm-es belül ne legyen nagy fémfelület (árnyékolást okoz)!
Elv
A RCWL‑0515 működése a Doppler‑radar elven alapul: a modul paneljén lévő planáris antenna mikrohullámú jelet bocsát ki (~2.7 GHz frekvencián), majd figyeli a jel visszaverődését. Amikor egy tárgy mozog a közelben, a visszavert jel frekvenciája a mozgás miatt megváltozik – a modul elektronikája ezt a frekvencia‑eltérést érzékeli, és “mozgás” eseményt jelez.
A panel belsejében egy oscillator (gyakran tranzisztorral – pl. BFR520) valamint egy vezérlőchip (jellegzetesen RCWL-9196 / TT1712B) található, amely felelős az adásért, vételért, jel feldolgozásáért és kimenet generálásáért.
Kimeneti oldalon LV-TTL szintű jelet kapunk: a “OUT” láb magas (3.3 V) lesz mozgás érzékelésekor, és alacsony (0 V) marad mozgás hiányában. Sok alkalmazásnál közvetlenül vezérelhető világítás, relé, mikrovezérlő bemenet stb.
Ezen túl a modul konfigurálható: hátsó SMD padokon lehetőség van az érzékenység csökkentésére, valamint – opcionálisan – LDR fényérzékelő csatlakoztatására is, így beállítható, hogy az érzékelés csak sötétben történjen (pl. éjszakai világítás vezérléshez).
Felhasználás
- Automatikus világításvezérlés beltéri és kültéri terekben – folyosók, lépcsőházak, garázsok, tárolók.
- Biztonsági és riasztórendszerek, kapuk, bejáratok, ablakok előtti mozgás érzékelése – akár üvegajtókon keresztül is.
- Okosotthon rendszerek (Arduino, ESP32 / Raspberry Pi stb.) – mozgásra világítás, relé vagy más akció kiváltása.
- Energia‑megtakarítás: fűtés, szellőztetés, világítás automatikus bekapcsolása / kikapcsolása mozgás alapján.
- Rejtett / esztétikus érzékelés: falban, üveg mögött vagy dekorburkolat alatt rejtett mozgásérzékelés, biztonsági érzékelés, passzív megjelenés.
- Maker projektek, interaktív installációk, DIY rendszerek – például mozgásvezérelt dekoráció, automatizált kapu, interaktív látvány vagy automatizálás.
Jellemzők
- Tápfeszültség: 4 – 15 V DC
- Üzemi áramfelvétel: ~ 4 mA
- Működési frekvencia: ~ 2.7 GHz
- Érzékelési távolság: tipikusan ~ 7–12 m (gyári dokumentum akár 15 m‑ig)
- Érzékelési szög: körülbelül 360° a síkban (holttér-nélküli érzékelés)
- Kimenet: TTL logikai – “OUT”: 3.3 V (magas) mozgás esetén / 0 V (alacsony) mozgás hiányában
- Kimeneti „magas” időtartama: alapbeállításban ~2–3 s (újramérés esetén ismételhető)
- Panel méret: kb. 36 × 17 mm
- Fény‑függő működés opció: CDS / LDR bemenet, az érzékelés csak sötétben indulhat (ha LDR be van kötve) – ideális mozgás‑vezérelt világításokhoz.
Bekötés
- VIN – 5V (vagy 4‑15 V)
- GND – közös föld
- OUT – egy digitális bemenet (pl. Arduino D8)
- (opcionálisan) CDS – LDR (ha csak sötétben szeretnéd az érzékelést)
Dokumentáció
Csomag
- 1x RCWL érzékelő (RCWL-0515 radaros érzékelő)
- 1x fotoellenállás












![10k fotoellenállás [10 db/pack]](https://shop.tavir.hu/wp-content/uploads/kieg-fotoellenallas-1-450x338.jpg)






Értékelések
Még nincsenek értékelések.